手机站手机站 在线留言 收藏本站 网站地图 会员登录 会员注册

欢迎来到深圳康比电子有限公司官方网站

24小时加盟热线0755-27876201
当前位置: 首页 » 石英晶体振荡器 » 差分晶振
CTS晶振,石英晶体振荡器,315晶振,315LB3I1228T晶振

CTS晶振,石英晶体振荡器,315晶振,315LB3I1228T晶振

频率:100~170MHz
尺寸:5.0*3.2mm pdf 晶振技术
参数资料

小型表面贴片晶振型,是标准的石英晶体谐振器,适用于宽温范围的电子数码产品,家电电器及MP3,MP4,播放器,单片机等领域.可对应8.000MHz以上的频率,在电子数码产品,以及家电相关电器领域里面发挥优良的电气特性,满足无铅焊接的回流温度曲线要求.


LD振荡器,DIODES有源晶振,LVDS差分晶振,LDA000004,低抖动晶振,5032振荡器

LD振荡器,DIODES有源晶振,LVDS差分晶振,LDA000004,低抖动晶振,5032振荡器

频率:100MHz
尺寸:5.00mm x 3... pdf 晶振技术
参数资料

LD振荡器,DIODES有源晶振,LVDS差分晶振,LDA000004,低抖动晶振,5032振荡器   LDA000004是DIODES公司推出的一款基于5032封装的LVDS差分有源晶振,属于LD振荡器系列。这款晶振专为对时钟信号精度、稳定性和抗干扰能力要求极高的应用场景而设计,具备低抖动特性,能够为各类电子设备提供精准、纯净且稳定的时钟信号,广泛应用于通信、数据处理、工业自动化等领域。


显卡晶振,DIODES百利通亚陶晶振,SQ振荡器,HCSL输出差分晶振,SQA000001

显卡晶振,DIODES百利通亚陶晶振,SQ振荡器,HCSL输出差分晶振,SQA000001

频率:100MHz
尺寸:5.00mm x 3... pdf 晶振技术
参数资料

显卡晶振,DIODES百利通亚陶晶振,SQ振荡器,HCSL输出差分晶振,SQA000001   SQA000001作为DIODES百利通亚陶的显卡晶振,在显卡的运行中扮演着至关重要的角色。其独特的HCSL输出特性,能够提供差分信号,这种信号传输方式具有出色的抗干扰能力,可有效减少电磁干扰对时钟信号的影响,保证信号在显卡内部高速传输过程中的完整性和准确性。


LVDS时钟振荡器,低抖动进口晶振,Pletronics差分晶振,LV3320JEV-125.0MDK

LVDS时钟振荡器,低抖动进口晶振,Pletronics差分晶振,LV3320JEV-125.0MDK

频率:125MHz
尺寸:2.50 x 2.0... pdf 晶振技术
参数资料

LV3320JEV - 125.0MDK作为Pletronics出品的低抖动进口LVDS时钟振荡器,在众多电子应用场景中展现出卓越的性能。其125.0MHz的高频输出,为高速数据处理和通信设备提供了稳定且精准的时钟信号,有效降低信号抖动对系统性能的影响。LVDS差分输出特性是其关键优势,通过差分信号传输方式,显著增强了抗干扰能力,有效抑制电磁干扰对时钟信号的影响,保证信号在长距离传输中的完整性和准确性,即使在复杂电磁环境下也能维持稳定的信号输出。


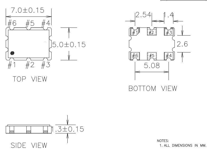
光纤通道晶振,LV7720JEV-100.0MDK,普锐特差分晶振,LVDS贴片晶振,LV77J振荡器

光纤通道晶振,LV7720JEV-100.0MDK,普锐特差分晶振,LVDS贴片晶振,LV77J振荡器

频率:100MHz
尺寸:7.00 x 5.0... pdf 晶振技术
参数资料

LV7720JEV - 100.0MDK作为普锐特专为光纤通道打造的LVDS贴片差分晶振,在光纤通信领域展现出卓越性能。其100.0MHz的高频输出,为光纤通道设备的数据高速传输提供了稳定且精准的时钟基准。采用先进的制造工艺和高品质材料,该晶振在 - 40℃至 + 85℃的宽温度范围内,能将频率偏差严格控制在极小范围,确保卓越的频率稳定性,适应光纤通道设备在不同环境下的工作需求。


Pletronics贴片晶振,QL44L进口晶振,低抖动振荡器,LVDS石英晶振,QL4445LEV-125.0M

Pletronics贴片晶振,QL44L进口晶振,低抖动振荡器,LVDS石英晶振,QL4445LEV-125.0M

频率:125MHz
尺寸:3.20 x 2.5... pdf 晶振技术
参数资料

QL4445LEV - 125.0M这款Pletronics出品的进口LVDS石英贴片晶振,在众多电子设备应用中展现出卓越的性能。作为低抖动振荡器,它以125.0MHz的高频输出,为高速数据处理和通信设备提供了稳定且精准的时钟信号,有效降低了信号抖动对系统性能的影响。采用高品质的石英材料和先进的制造工艺,该晶振在 - 40℃至 + 85℃的宽温度范围内,能将频率偏差严格控制在极小范围,确保了卓越的频率稳定性。


PE7720JEW-155.52MDK,普锐特有源晶振,PE77J振荡器,PECL差分输出晶振,存储晶振

PE7720JEW-155.52MDK,普锐特有源晶振,PE77J振荡器,PECL差分输出晶振,存储晶振

频率:155.52MHz
尺寸:7.00 x 5.0... pdf 晶振技术
参数资料

PE7720JEW - 155.52MDK作为普锐特旗下的一款PECL差分输出有源晶振,专为满足存储设备及高速电路对高精度时钟的需求而打造。155.52MHz的标称频率,为数据的快速存储与读取提供了稳定且精确的时间基准。该晶振采用先进制造工艺与高品质材料,确保在 - 40℃至 + 85℃的宽温度范围内,频率稳定性极佳,频率偏差能被严格控制在极小范围,有效应对存储设备在不同环境下的工作要求。


Pletronics差分晶振,LV4444JEW-100.0MDK,LVDS有源晶振,LV44J振荡器

Pletronics差分晶振,LV4444JEW-100.0MDK,LVDS有源晶振,LV44J振荡器

频率:100MHz
尺寸:3.20 x 2.5... pdf 晶振技术
参数资料

Pletronics差分晶振,LV4444JEW-100.0MDK,LVDS有源晶振,LV44J振荡器   LV4444JEW - 100.0MDK作为Pletronics精心打造的LVDS有源差分晶振,展现出卓越的性能特质。100.0MHz的频率输出,为高速运行的电子设备提供了坚实的时钟基础,确保数据处理与传输的高效性。在制造工艺上,Pletronics选用优质材料,结合精湛技术,保障了晶振在 - 40℃至 + 85℃的宽泛温度区间内,频率偏差被严格限制在极小范围,凸显出强大的频率稳定性。


LV5520JEW-156.25MDK晶振,美国普锐特石英晶振,LV55J振荡器,LVDS差分晶振

LV5520JEW-156.25MDK晶振,美国普锐特石英晶振,LV55J振荡器,LVDS差分晶振

频率:156.25MHz
尺寸:5.00 x 3.2... pdf 晶振技术
参数资料

LV5520JEW-156.25MDK晶振,美国普锐特石英晶振,LV55J振荡器,LVDS差分晶振   LV5520JEW - 156.25MDK晶振,作为美国普锐特的杰出产品,在LVDS差分晶振领域展现出卓越性能。它以156.25MHz的高频输出,为高速数据传输和处理设备提供稳定且精准的时钟信号。采用高品质石英材料,结合普锐特精湛的制造工艺,在 - 40℃至 + 85℃的宽温度范围内,能将频率偏差严格控制在极小范围,确保了卓越的频率稳定性。


X1M0003210000,爱普生差分晶振,XG-2103CA微波通信晶振

X1M0003210000,爱普生差分晶振,XG-2103CA微波通信晶振

频率:150MHZ
尺寸:7.0×5.0mm pdf 晶振技术
参数资料

X1M0003210000,爱普生差分晶振,XG-2103CA微波通信晶振,尺寸7.0×5.0mm,频率150MHZ,输出逻辑LV-PECL,EPSON有源晶振,日本进口晶振,差分有源振荡器,LV-PECL输出晶振,差分晶体振荡器,7050mm差分晶振,差分贴片振荡器,石英差分振荡器,150MHZ差分晶振,低电压差分晶振,低损耗差分晶振,低抖动差分晶振,低相位差分晶振,低相噪差分晶振,高性能差分晶振,娱乐设备差分晶振,微波通信专用差分晶振,航空电子差分晶振,仪器设备差分晶振,具有超高的可靠性能。

OSC振荡器产品超级适合用于娱乐设备,微波通信,航空电子,仪器设备等领域。X1M0003210000,爱普生差分晶振,XG-2103CA微波通信晶振.


爱普生LV-PECL晶振,XG-2102CA蓝牙模块晶振,X1M0003010048

爱普生LV-PECL晶振,XG-2102CA蓝牙模块晶振,X1M0003010048

频率:100MHZ
尺寸:7.0×5.0mm pdf 晶振技术
参数资料

爱普生LV-PECL晶振,XG-2102CA蓝牙模块晶振,X1M0003010048,尺寸7.0×5.0mm,频率100MHZ,输出逻辑LV-PECL,日本EPSON晶振,日本进口晶振,进口差分振荡器,六脚差分晶振,7050mm差分晶振,有源差分晶振,LV-PECL差分输出晶振,差分贴片晶振,差分石英晶体振荡器,差分晶体振荡器,100MHZ差分晶振,高性能差分晶振,高质量差分晶振,低抖动差分晶振,低功耗差分晶振,低电压差分晶振,蓝牙模块差分晶振,多媒体设备差分晶振,娱乐设备差分晶振,测试测量差分晶振,网络设备差分晶振,具有高性能高质量的特点。

差分晶振产品适合用于蓝牙模块,多媒体设,娱乐设备,测试测量,网络设备等应用。爱普生LV-PECL晶振,XG-2102CA蓝牙模块晶振,X1M0003010048.


XG-2121CA交换机晶振,X1M0003110014,EPSON差分输出晶振

XG-2121CA交换机晶振,X1M0003110014,EPSON差分输出晶振

频率:125MHZ
尺寸:7.0×5.0mm pdf 晶振技术
参数资料

XG-2121CA交换机晶振,X1M0003110014,EPSON差分输出晶振,尺寸7.0×5.0mm,频率125MHZ,输出逻辑LV-PECL,爱普生进口晶振,日本进口晶振,7050mm差分晶振,LV-PECL输出晶振,石英差分晶振,贴片差分振荡器,LV-PECL差分晶体振荡器,有源差分振荡器,交换机专用差分晶振,北斗模块差分晶振,智能家电差分晶振,影音系统差分晶振,低电压差分晶振,低功耗差分晶振,低相位差分晶振,低抖动差分晶振,低相噪差分晶振,具有优异的耐压性能。

OSC晶振产品可广泛应用各大应用平台,比较适合用于交换机,北斗模块,智能家电,影音系统等应用。XG-2121CA交换机晶振,X1M0003110014,EPSON差分输出晶振.


X1G0042510046,SG3225EAN娱乐设备晶振,爱普生石英差分振荡器

X1G0042510046,SG3225EAN娱乐设备晶振,爱普生石英差分振荡器

频率:106.25MHZ
尺寸:3.2x2.5mm pdf 晶振技术
参数资料

X1G0042510046,SG3225EAN娱乐设备晶振,爱普生石英差分振荡器,尺寸3.2x2.5mm,频率106.25MHZ,输出逻辑LV-PECL,EPSON有源晶振,日本进口晶振,有源差分晶振,差分贴片晶振,差分晶体振荡器,LV-PECL输出晶振,低抖动差分晶振,低电压差分晶振,低功耗差分晶振,低相位差分晶振,低相噪差分晶振,低耗能差分晶振,娱乐设备差分晶振,路由器差分晶振,北斗定位差分晶振,多媒体设备差分晶振,小型设备差分晶振,智能穿戴差分晶振,具有低功耗低电压的特点。

有源晶振产品常常用于娱乐设备,路由器,北斗定位,多媒体设备,小型设备,智能穿戴等领域。X1G0042510046,SG3225EAN娱乐设备晶振,爱普生石英差分振荡器.


爱普生LV-PECL输出晶振,X1G0042710061,SG5032EAN光收发器晶振

爱普生LV-PECL输出晶振,X1G0042710061,SG5032EAN光收发器晶振

频率:100MHZ
尺寸:5.0x3.2mm pdf 晶振技术
参数资料

爱普生LV-PECL输出晶振,X1G0042710061,SG5032EAN光收发器晶振,尺寸5.0x3.2mm,频率100MHZ,输出逻辑LV-PECL,EPSON有源晶振,LV-PECL输出晶振,差分石英振荡器,差分贴片晶振,差分有源振荡器,石英晶体振荡器,高质量差分晶振,高性能差分晶振,低损耗差分晶振,低电压差分晶振,低抖动差分晶振,低相位差分晶振,低相噪差分晶振,光收发器差分晶振,仪器仪表专用差分晶振,无线路由器差分晶振,通信模块差分晶振,航空航天差分晶振,蓝牙模块差分晶振,智能家居差分晶振,具有超高的可靠性能以及耐压性能。

有源晶振产品超级适合用于光收发器,仪器仪表,无线路由器,通信模块,航空航天,蓝牙模块,智能家居等领域。爱普生LV-PECL输出晶振,X1G0042710061,SG5032EAN光收发器晶振.


SG7050EBN电信晶振,EPSON差分振荡器,X1G0045110601

SG7050EBN电信晶振,EPSON差分振荡器,X1G0045110601

频率:156.25MHZ
尺寸:7.0×5.0mm pdf 晶振技术
参数资料

SG7050EBN电信晶振,EPSON差分振荡器,X1G0045110601,尺寸7.0×5.0mm,频率156.25MHZ,电压2.375~2.625V,输出逻辑LV-PECL,六脚差分晶振,差分晶体振荡器,7050mm差分晶振,石英差分晶振,LV-PECL输出晶振,差分贴片晶振,低电压差分晶振,低抖动差分晶振,低相位差分晶振,低相噪差分晶振,高质量差分晶振,高品质差分晶振,电信差分晶振,无线路由器差分晶振,测试测量专用差分晶振,医疗设备差分晶振,卫星通信差分晶振,北斗导航差分晶振,具有低相位低相噪的特点。

OSC晶振产品可满足不同应用的需求,尤其适合用于电信,无线路由器,测试测量,医疗设备,卫星通信,北斗导航等应用场景.SG7050EBN电信晶振,EPSON差分振荡器,X1G0045110601.


XLQ320125.000000I,Renesas通讯设备晶振,低抖动差分晶振

XLQ320125.000000I,Renesas通讯设备晶振,低抖动差分晶振

频率:125.000 MH...
尺寸:3.2x2.5x1.... pdf 晶振技术
参数资料

XLQ320125.000000I,Renesas通讯设备晶振,低抖动差分晶振,美国进口晶振,Renesas瑞萨电子晶振,XL系列晶振,编码为:XLQ320125.000000I,频率为:125.000 MHz,小体积晶振尺寸:3.2x2.5x1.0mm封装,LVPECL输出差分晶振,电压2.5V,六脚贴片晶振,石英晶振,有源晶振,差分晶体振荡器具超小型,轻薄型,低抖动,低功耗,低相位噪声,低电压,高精度,高性能,高品质等特点。被广泛应用于:通讯设备,无线网络,蓝牙模块,物联网,机顶盒、车载控制器、安防设备、路由器,交换机、仪器仪表设备、光纤通信,10G以太网等应用。


Renesas仪器仪表设备晶振,XLQ535133.333000I,路由器应用晶振

Renesas仪器仪表设备晶振,XLQ535133.333000I,路由器应用晶振

频率:133.333000...
尺寸:5.0x3.2x1.... pdf 晶振技术
参数资料

Renesas仪器仪表设备晶振,XLQ535133.333000I,路由器应用晶振,美国进口晶振,Renesas瑞萨电子晶振,XL系列晶振,编码为:XLQ535133.333000I,频率为:133.333000MHz,小体积晶振尺寸:5.0x3.2x1.2mm封装,六脚贴片晶振,LVPECL输出差分晶振石英晶振,有源晶振贴片石英晶振,差分晶体振荡器具超小型,轻薄型,低抖动,低功耗,低相位噪声,低电压,高精度,高性能,高品质等特点。被广泛应用于:通讯设备,无线网络,蓝牙模块,物联网,机顶盒、车载控制器、安防设备、路由器,交换机、仪器仪表设备、光纤通信,10G以太网等应用。


瑞萨LVPECL低损耗晶振,XLQ730156.250000I,无线网络晶振

瑞萨LVPECL低损耗晶振,XLQ730156.250000I,无线网络晶振

频率:156.250 MH...
尺寸:7.0x5.0x1.... pdf 晶振技术
参数资料

瑞萨LVPECL低损耗晶振,XLQ730156.250000I,无线网络晶振,美国进口晶振,Renesas瑞萨电子晶振,XL系列晶振,编码为:XLQ730156.250000I,频率为:156.250 MHz,小体积晶振尺寸:7.0x5.0x1.3mm封装,LVPECL输出差分晶振,3.3V电压,六脚贴片晶振,石英晶振,有源晶振,差分晶体振荡器超精密晶体振荡器。具超小型,轻薄型,低抖动,低功耗,低相位噪声,低电压,低耗能,低损耗,低电平,优异的环境性能。被广泛应用于:通讯设备,无线网络,蓝牙模块,物联网,机顶盒、光端机、安防设备、路由器,交换机、仪器仪表设备、汽车电子,光纤通信,10G以太网等应用。


Renesas航空电子晶振,XPP726312.510900I,超低相位噪声振荡器

Renesas航空电子晶振,XPP726312.510900I,超低相位噪声振荡器

频率:312.510900...
尺寸:7.0x5.0x1.... pdf 晶振技术
参数资料

Renesas航空电子晶振,XPP726312.510900I,超低相位噪声振荡器进口晶振,Renesas瑞萨电子晶振,XP系列晶振,编码为:XPP726312.510900I,频率为:312.510900MHz,小型外形尺寸:7.0x5.0x1.7mm封装,LVPECL输出差分晶振8垫脚贴片晶振石英晶振,有源晶振,SMD晶振,差分晶体振荡器,电压2.5V,工作温度范围:-40℃至+85℃。具有超小型,轻薄型,低抖动,低功耗,低电源电压,超低相位噪声等特点,能够很容易地识别小信号。应用于:通讯设备,无线网络,蓝牙模块,物联网,路由器,交换机,以太网,光纤通道,仪器仪表设备,GPS定位,安防设备等应用。


XPP516625.000000I,瑞萨LVPECL输出振荡器,交换机应用晶振

XPP516625.000000I,瑞萨LVPECL输出振荡器,交换机应用晶振

频率:625.000MHz
尺寸:5.0x3.2x1.... pdf 晶振技术
参数资料

XPP516625.000000I,瑞萨LVPECL输出振荡器,交换机应用晶振进口晶振,Renesas瑞萨电子晶振,XP系列晶振,编码为:XPP516625.000000I,频率为:625.000MHz,小型外形尺寸:5.0x3.2x1.17mm封装,LVPECL输出差分晶体振荡器8垫脚贴片晶振石英贴片晶振,5032进口晶振,有源晶振,耐高温晶振,石英晶体振荡器,电压1.8V,工作温度范围:-40℃至+85℃。具有超小型,轻薄型,低抖动,低功耗,低电源电压,低相位噪声,低电平,低耗能,低损耗等特点。应用于:通讯设备,物联网,无线网络,蓝牙模块,路由器,交换机,以太网,光纤通道,导航仪,GPS定位,工业等应用。


Renesas低耗能石英晶振,XPP316156.250000I,智能家居晶振

Renesas低耗能石英晶振,XPP316156.250000I,智能家居晶振

频率:156.250MHz
尺寸:3.2x2.5x1.... pdf 晶振技术
参数资料

Renesas低耗能石英晶振,XPP316156.250000I,智能家居晶振进口晶振,Renesas瑞萨电子晶振,XP系列晶振,编码为:XPP316156.250000I,频率为:156.250MHz,小体积晶振尺寸:3.2x2.5x1.07mm封装,8垫脚贴片晶振LVPECL输出差分晶振差分晶体振荡器,石英晶振,SMD晶振,有源晶振,石英晶体振荡器,电压1.8V,工作温度范围:-40℃至+85℃。具有超小型,轻薄型,低抖动,低功耗,低电源电压,低相位噪声,高精度,高性能,高品质特点。应用于:移动通讯设备,物联网,无线网络,蓝牙模块,路由器,交换机,以太网,光纤通道,导航仪,医疗设备,安防设备,智能家居等应用。


每页显示:21条 记录总数:81 | 页数:4 1 2 3 4    
康比电子产品中心 Product Center

晶振厂家

台产晶振

日产进口晶振

欧美进口晶振

32.768K晶振

石英晶体振荡器

应用领域

联系康比电子Contact us

咨询热线:
0755-27876201

手机:137 2874 2863

QQ:577541227

邮箱:kangbidz@163.com

地址:广东深圳市宝安区67区6号庭威工业区

快速通道
pass
+ 快速通道