频率:10~52MHz
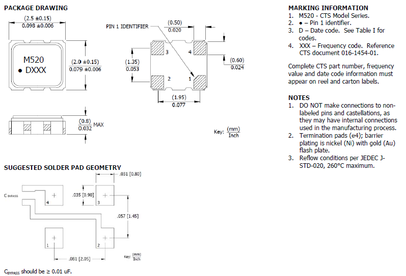
尺寸:2.5*2.0mm
	CTS晶振公司为信息技术和电信市场提供贴片晶振,温补晶振,石英晶体振荡器等多种电子元件。这些石英晶振可以在宏小区基站发现,小蜂窝基站、卫星通信系统、回程通信的应用,以及无线和有线基础设施。CTS晶振公司在信息技术和电信市场的创新支持市场部门的发展趋势,如低功耗,更小的形式因素,增加带宽需求和物联网(物联网)。 
 
 
CTS晶振,贴片晶振,520晶振,520L15IA40M0000晶振,贴片晶振本身体积小,超薄型石英晶体谐振器,特别适用于有目前高速发展的高端电子数码产品,因为晶振本身小型化需求的市场领域,小型?薄型是对应陶瓷谐振器(偏差大)和普通的石英晶体谐振器(偏差小)的中间领域的一种性价比较出色的产品.
	贴片晶振的研发及生产超小型石英晶振完成晶片的设计特别是外形尺寸的设计是首要需解决的技术问题,公司在此方面通过理论与实践相结合,模拟出一整套此石英晶振晶片设计的计算机程序,该程序晶振的晶片外形尺寸已全面应用并取得很好的效果。 
 
| 项目 | 符号 | 520晶振规格说明 | 条件 | 
| 输出频率范围 | f0 | 1.2 MHz to 75 MHz | 请联系我们以便获取其它可用频率的相关信息 | 
| 电源电压 | VCC | 1.8 V to 2.5 V | 请联系我们以了解更多相关信息 | 
| 储存温度 | T_stg | -40℃ to +85℃ | 裸存 | 
| 工作温度 | T_use | G: -40℃ to +85℃ | 请联系我们查看更多资料http://www.32768k.net | 
| H: -40℃ to +105℃ | |||
| J: -40℃ to +125℃ | |||
| 频率稳定度 | f_tol | J: ±50 × 10-6 | 
 | 
| L: ±100 × 10-6 | |||
| T: ±150 × 10-6 | |||
| 功耗 | ICC | 3.5 mA Max. | 无负载条件、最大工作频率 | 
| 待机电流 | I_std | 3.3μA Max. | ST=GND | 
| 占空比 | SYM | 45 % to 55 % | 50 % VCC 极, L_CMOS≦15 pF | 
| 输出电压 | VOH | VCC-0.4V Min. | 
 | 
| VOL | 0.4 V Max. | 
 | |
| 输出负载条件 | L_CMOS | 15 pF Max. | 
 | 
| 输入电压 | VIH | 80% VCC Max. | ST 终端 | 
| VIL | 20 % VCC Max. | ||
| 上升/下降时间 | tr / tf | 4 ns Max. | 20 % VCC to 80 % VCC 极, L_CMOS=15 pF | 
| 振荡启动时间 | t_str | 3 ms Max. | t=0 at 90 % | 
| 频率老化 | f_aging | ±3 × 10-6 / year Max. | +25 ℃, 初年度,第一年 | 


 
晶振产品的设计和生产直到出厂,都会经过严格的测试检测来满足它的规格要求。通过严格的出厂前可靠性测试以提供高质量高的可靠性的石英晶振.但是为了石英晶振的品质和可靠性,必须在适当的条件下存储,安 装,运输。请注意以下的注意事项并在最佳的条件下使用产品,我们将对于客户按自己的判断而使用石英晶振所导致的不良不负任何责任。
	当晶振产品上存在任何给定冲击或受到周期性机械振动时,比如:压电扬声器,压电蜂鸣器,以及喇叭等,输出频率和幅度会受到影响。这种现象对通信器材通信质量有影响。尽管晶振产品设计可最小化这种机械振动的影响,我们推荐事先检查并按照下列安装指南进行操作。
 CTS晶振环保方针:
CTS晶振环保方针: 
CTS晶振集团建立一种可测量的发展和改进的目标指标,定期进行内审和管理评审。在现有的或新生的各种活动中不断监测和改进环境绩效。通过对生产活动的持续改进和促进对低效或无效的环境法律法规进行合理化转变,努力提高环境管理中资本的效力。 将生产活动中的环境因素和环境影响的分析纳入我们的决策中来,确保活动中每一分子的运作和发展都体现对污染预防方针的贯彻。
	我们将定期对雇员进行教育和培训,确保他们能够安全高效的工作,树立他们的环保责任感。 与雇员、客户、公众、政府及关注公司环境绩效和持续改进计划的相关方进行充分开放的信息交流。CTS晶振,贴片晶振,520晶振,520L15IA40M0000晶振. 
 


