Pletronics晶振公司创建于1979年,主要研发生产晶振,石英晶振,有源晶体,石英晶体振荡器等元件.至今已有超过30年之久的工程和制造经验.所生产的产品使用范围广包括亚洲、欧洲和北美的制造业.Pletronics晶振公司拥有国际工程,物流和销售支持.产品设计创新,价格竞争有优势,订货交期时间短在业界具有较好的声誉.
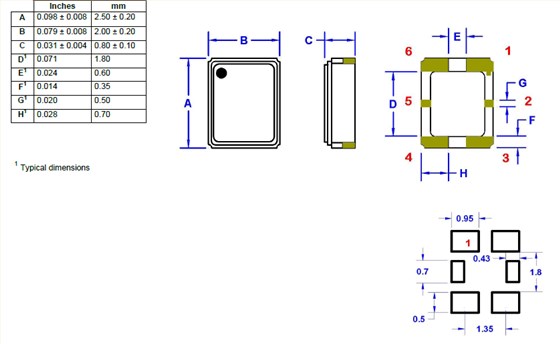
Pletronics晶振,贴片晶振,NCF4晶振,小体积贴片2520mm晶振,外观小型,表面贴片型晶体谐振器,因本身体积小等优势,适用于移动通信终端的基准时钟等移动通信领域.小型,薄型,轻型 (2.5 × 2.0 × 0.5 mm typ.) 具备优良的耐环境特性及高耐热性强.满足无铅焊接的回流温度曲线要求.
有源晶振高频振荡器使用IC与晶片设计匹配技术:有源晶振是高频振荡器研发及生产过程必须要解决的技术难题。在设计过程中除了要考虑石英晶体谐振器具有的电性外,还有石英晶体振荡器的电极设计等其它的特殊性,必须考虑石英晶体振荡器的供应电压、起动电压和产品上升时间、下降时间等相关参数。
|
型号 |
NCF4 (TCXO) |
|
|
输出频率范围 |
10?40MHz |
|
|
标准频率 |
16.3676MHz/16.367667MHz/16.368MHz/16.369MHz/16.8MHz/26MHz/33.6MHz |
|
|
电源电压范围 |
+1.7?+3.5V |
|
|
电源电压(Vcc) |
+1.8V/+2.6V/+2.8V/+3.0V/+3.3V |
|
|
消耗电流 |
+1.5mA max.(f≦26MHz)/+2.0mA max.(26<f≦52MHz) |
|
|
待机时电流 |
- |
|
|
输出电压 |
0.8Vp-p min.(f≦52MHz)(削峰正弦波/DC-coupled) |
|
|
输出负载 |
10kΩ//10pF |
|
|
频率稳定度 |
常温偏差 |
±1.5×10-6max.(After 2 reflows) |
|
温度特性 |
±0.5×10-6,±2.5×10-6max./-30?+85℃ |
|
|
电源电压特性 |
±0.2×10-6max.(VCC±5%) |
|
|
负载变化特性 |
±0.2×10-6max.(10kΩ//10pF±10%) |
|
|
长期变化 |
±1.0×10-6max./year |
|
|
频率控制 |
控制灵敏度 |
- |
|
频率控制极性 |
- |
|
|
启动时间 |
2.0ms max. |
|
所有石英晶体振荡器和实时时钟模块都以IC形式提供。
噪音
在电源或输入端上施加执行级别(过高)的不相干(外部的)噪音,可能导致会引发功能失常或击穿的闭门或杂散现象。
电源线路
电源的线路阻抗应尽可能低。
输出负载
建议将石英晶振输出负载安装在尽可能靠近振荡器的地方(在20 mm范围之间)。
未用输入终端的处理
未用针脚可能会引起噪声响应,从而导致非正常工作。同时,当P通道和N通道都处于打开时,电源功率消耗也会增加;因此,请将未用输入终端连接到VCC 或GND。
热影响
重复的温度巨大变化可能会降低受损害的石英晶振产品特性,并导致塑料封装里的线路击穿。必须避免这种情况。
安装方向
振荡器的不正确安装会导致故障以及崩溃,因此安装时,请检查安装方向是否正确。
通电
不建议从中间电位和/或极快速通电,否则会导致无法产生振荡和/或非正常工作。
Pletronics晶振环保方针:
Pletronics晶振集团保持就健康安全环境问题与临近摄取进行对话.通过在环境控制方面实施优秀的管理实践,以保护环境和与强生公司全球运作相关的自然资源.向员工灌输环境价值观,在所有的压电石英晶体、有源晶体、压电陶瓷谐振器,晶体振荡器,有源晶振产品和生产过程中应用最佳环境实用技术,为全球可持续发展做出贡献.
实施创新战略,提高自主创新能力,确保公司可持续发展.实施节约战略,提高建设节约环保型企业能力,确保实现节能环保规划目标.
Pletronics晶振致力于环境保护,包括预防污染.在晶体振荡器,有源晶振产品的规划到制造、运行维修等整个过程中,努力提供环保型的产品和服务.Pletronics晶振,贴片晶振,NCF4晶振.



TXC晶振,贴片晶振,7L晶振,7L-16.368MCG-T晶振
KDS晶振,贴片晶振,DSR211STH晶振
NDK晶振,贴片晶振,NZ2520SD晶振


