瑞斯克CVCSO-914高性能电压控制SAW时钟振荡器
在射频通信,工业控制,精密测量,高端消费电子等对时钟信号精度,稳定性有严苛要求的核心领域,时钟振荡器作为设备的"计时中枢",直接决定了整个系统的运行效率,信号同步质量与数据传输可靠性,是高端电子设备不可或缺的核心元器件.其中,电压控制SAW时钟振荡器(Voltage-ControlledSAWClockOscillator)凭借其优异的频率稳定性,快速频率响应及紧凑的体积优势,成为适配中高频段,高精度场景的优选方案.振荡器本质是一种能量转换装置,能够将直流电能转换为具有一定频率的交流电能,而SAW(表面声波)技术的应用,让振荡器在频率精度,抗干扰能力上实现了大幅提升,完美适配高端设备对计时精准度的极致需求.随着全球电子产业向高集成化,高性能化,小型化深度迭代,行业对时钟振荡器的要求愈发严苛:既要具备精准的电压控制调节能力,实现频率的灵活微调,适配不同场景的频率需求;又要依托SAW技术的核心优势,保障频率输出的稳定性与纯净度,有效抑制各类干扰;同时还要具备紧凑的体积,适配高端设备的高集成化布局,降低设备研发与制造成本.然而,传统时钟振荡器要么频率调节精度不足,无法满足复杂场景的灵活适配需求;要么抗干扰能力薄弱,难以应对工业,通信等复杂环境的干扰考验;要么体积偏大,无法适配小型化设备布局,成为制约设备性能升级的关键瓶颈.作为CRYSTEK晶振品牌官方授权核心代理,深圳康比电子有限公司深耕电子元器件领域多年,凭借丰富的行业经验,完善的供应链体系,专业的技术服务能力以及良好的行业口碑,始终致力于为广大行业客户提供优质,可靠的频率控制解决方案,助力客户破解行业痛点,实现产品升级.深圳康比电子作为CRYSTEK官方授权代理,全程为客户提供原厂正品保障,专业技术支持与高效采购服务,从产品选型,技术咨询到订单交付,售后保障,全方位保驾护航,欢迎来电咨询:0755-27876201,解锁CVCSO-914的核心价值,实时报价及专属合作方案,携手共赢行业新机遇.
CRYSTEK作为全球射频微波和频率控制领域的绝对领军企业,自1958年在美国佛罗里达州正式成立以来,近70年间始终坚守"技术创新,品质至上"的初心,专注于石英晶体,晶体振荡器,电压控制振荡器,SAW时钟振荡器,射频滤波器等各类频率控制产品的研发,设计与制造,凭借深厚的技术积淀,严苛的品质管控体系,持续的创新能力以及完善的生产制造体系,成为全球高端频率控制器件领域的标杆品牌,引领着行业技术发展的方向,深受全球高端设备厂商的青睐与认可.多年来,Crystek数字视频晶振始终将技术创新放在企业发展的核心位置,投入大量人力,物力,财力用于核心技术研发与生产工艺升级,组建了一支由行业顶尖工程师,技术专家组成的研发团队,这支团队深耕频率控制技术领域数十年,在SAW技术应用,电压控制精度优化,抗干扰性能提升,小型化封装等关键技术领域攻克了一个又一个技术难题,形成了一套独具优势,难以复制的核心技术体系,尤其在SAW时钟振荡器的研发与制造方面,达到全球行业领先水平.依托这套核心技术体系,CRYSTEK的产品广泛应用于航空航天,国防军工,无线通信,医疗设备,工业自动化,精密测量,高端消费电子等多个高端终端领域,无论是严苛的工业生产环境,复杂的射频通信场景,还是高精度的测量场景,CRYSTEK产品都能稳定发挥性能,展现出卓越的可靠性与环境适应性.为确保每一款产品的品质始终处于行业领先水平,CRYSTEK建立了全流程,全方位的严苛品质管控体系,从核心元器件的甄选,原材料的检测,到生产过程的每一个环节,每一道工序,再到成品的精准检测,出厂验收,都经过层层严格把关,反复测试,顺利通过ISO9001:2008国际质量体系认证及RoHS环保标准,确保每一款产品都符合全球行业标准与环保要求,杜绝任何不合格产品流入市场.凭借超高精度,优异的稳定性,强劲的抗干扰能力以及长期稳定的性能表现,CRYSTEK赢得了全球数千家企业客户的长期信赖与高度认可,成为众多高端设备厂商的首选频率控制器件品牌.而CVCSO-914作为CRYSTEK倾力打造的高性能电压控制SAW时钟振荡器,更是凝聚了品牌近70年的频率控制技术精华,融合先进的SAW技术与精准的电压控制技术,在频率精度,调节灵活性,抗干扰能力等核心维度实现了全方位优化,精准匹配当今高端电子设备向高集成化,高性能化发展的主流趋势,为多领域高端设备的性能升级注入强劲动力,成为高端场景时钟振荡器的核心优选器件.
核心定位:高性能电压控制SAW时钟振荡器,适配多领域高端场景
在当今电子产业快速发展,技术迭代不断加速的大背景下,高端电子设备正加速朝着高集成化,高性能化,小型化的方向迭代升级,这一趋势已广泛渗透到射频通信,工业控制,精密测量,高端消费电子等多个核心领域,催生了大量对SAW时钟振荡器有极致要求的应用场景.例如,射频通信领域的高端路由器,基站设备,无线通信模块,需要精准的时钟信号保障信号同步与数据传输质量,同时要求灵活的电压调节能力,适配不同频段的通信需求,还要具备强劲的抗干扰能力,抵御复杂通信环境的干扰;工业控制领域的精密运动控制模块,高端PLC,工业测试仪器,需要稳定的时钟基准保障控制精度与运行稳定性,电压控制功能可灵活适配不同工况下的频率需求,紧凑的体积能够适配工业设备的高集成化布局;精密测量领域的频率计数器,示波器,精密信号发生器,对时钟信号的精度要求极高,SAW技术的应用可有效保障测量数据的准确性,电压控制功能可实现频率的精准微调,满足不同测量场景的需求;高端消费电子领域的高端智能终端,便携式音频设备,微型导航终端,既需要稳定的时钟信号保障设备正常运行,又要求体积紧凑,功耗适中,适配设备的小型化,长续航需求.这些高端设备的核心需求,正是CVCSO-914的设计初衷,该产品凭借"高性能,高精度,高灵活,高可靠"的综合优势,完美适配各类高端场景,成为解决行业痛点,推动设备性能升级的核心器件.
核心亮点:四大优势,彰显SAW时钟振荡器标杆实力
在当前全球高端Crystek时钟振荡器市场竞争日趋激烈的环境下,各类品牌的产品层出不穷,但CVCSO-914之所以能从众多同类产品中脱颖而出,成为射频通信,工业控制等高端场景的首选器件,核心根源在于其依托CRYSTEK核心技术,融合SAW技术与电压控制技术,在频率精度,调节灵活性,抗干扰能力,体积适配等关键维度实现了全方位突破,展现出无可比拟的综合优势,能够全方位,多角度满足各类高端设备的严苛应用需求,完美适配不同场景下的个性化使用要求,其具体核心亮点详细解析如下:
其一,纯正SAW技术加持,频率精度与稳定性双卓越.CVCSO-914核心采用CRYSTEK自主研发的高品质SAW(表面声波)谐振器,结合品牌深耕多年的频率控制技术,实现了频率精度与稳定性的双重突破.相较于传统石英振荡器,SAW技术凭借其独特的工作原理,能够有效提升频率输出的纯净度,减少谐波干扰与杂波干扰,让时钟信号更稳定,更精准,完美适配中高频段高端设备的计时需求.该产品标准频率可达1GHz,频率稳定度可达±200ppm,能够有效抵消环境温度变化,供电电压波动等因素带来的频率漂移,确保在复杂环境下依然能输出稳定,精准的时钟基准,避免因时钟信号偏差导致的设备运行故障,数据失真,信号同步异常等问题,为设备的精准运行提供坚实保障.同时,SAW技术的应用也让产品具备了更优异的温度适应性,能够在-20℃~70℃的宽工作温度范围内稳定运行,适配不同场景的环境需求,进一步提升产品的可靠性与实用性.
其二,精准电压控制,频率调节灵活便捷.作为一款电压控制SAW时钟振荡器,CVCSO-914具备精准的电压控制功能,采用高精度压控电路设计,能够通过调节输入电压,实现频率的灵活微调,适配不同场景,不同设备的频率需求,灵活性极强.该产品采用5.00V直流供电,供电电流仅为25mA,电压稳定性强,能够有效适应不同设备的供电波动范围,避免因供电电压变化影响频率调节精度与时钟信号稳定性.无论是射频通信场景中不同频段的信号同步需求,还是工业控制场景中不同工况下的频率适配需求,CVCSO-914都能通过精准的电压调节,快速适配需求,无需对设备电路进行大幅修改,有效降低设备研发与设计难度,提升设备的适配性与灵活性,助力客户快速推进产品研发进程,缩短产品上市周期.
其三,强劲抗干扰能力,适配复杂环境运行.CVCSO-914无线6G晶振在设计过程中,充分考虑了工业,通信等复杂场景的干扰问题,通过优化内部电路布局,采用屏蔽设计与高品质元器件,大幅提升了产品的抗干扰能力,能够有效抵御电磁干扰,谐波干扰,温度干扰等各类复杂干扰,确保时钟信号的稳定性与纯净度.即使在工业生产的强电磁环境,射频通信的复杂信号环境中,该产品也能稳定输出时钟信号,避免因干扰导致的频率偏差,信号失真等问题,保障设备的正常运行.同时,该产品具备优异的抗冲击,耐焊性,能够承受工业生产,运输过程中的轻微冲击与高温焊接考验,进一步提升产品的环境适应性与可靠性,适配多领域复杂环境使用,降低设备后期的运维成本.此外,产品完全符合RoHS环保标准,不含任何有害重金属,是无铅环保产品,适配工业级,消费电子级等多领域的环保要求,确保设备的安全性与环保性,同时其产品生命周期处于Active状态,保障客户长期采购与使用需求.
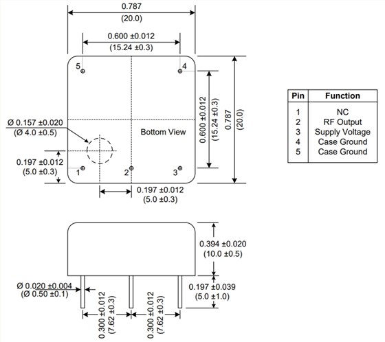
其四,紧凑封装设计,适配高集成化布局.CVCSO-914采用SMD-4贴片封装设计,引脚数为4,外形尺寸紧凑,长度仅为14.2mm,体积小巧,能够最大限度节省设备内部安装空间,完美适配高端设备的高集成化,小型化布局需求.这种贴片封装设计,不仅便于自动化贴装,能够有效提升企业的生产效率,降低人工贴装成本,减少贴装过程中的故障风险,还能灵活嵌入微型设备,紧凑型模块的狭小空间内——无论是射频通信领域的小型基站模块,工业控制领域的精密控制模块,还是高端消费电子领域的微型智能终端,CVCSO-914都能轻松适配,无需对设备结构进行大幅修改,有效降低设备研发与设计难度,助力设备实现轻薄化,小型化升级.同时,产品采用Bulk包装方式,便于批量存储,运输与自动化生产管控,能够有效避免产品在存储,运输过程中出现损坏,丢失等问题,同时便于企业进行库存管理,减少库存积压,有效降低企业生产与采购成本,提升生产效率与采购效率,其ECCN代码为EAR99,符合全球进出口相关标准,便于客户跨境采购与应用.
产品参数详解:精准匹配高端场景,彰显极致性能
CVCSO-914的每一项参数都经过CRYSTEK四脚贴片晶振原厂的严苛检测与优化,每一个细节都围绕"高性能,高精度,高灵活"的核心定位设计,精准贴合高端应用场景的需求,全面覆盖射频通信,工业控制,精密测量,高端消费电子等多个领域,能够满足不同客户的个性化选型需求.为方便客户快速了解产品,精准选型,高效应用,结合原厂数据手册,其核心参数详细解读如下,结合实际应用场景,让每一项参数的价值与优势都清晰可见:
产品类型:电压控制SAW时钟振荡器(Voltage-ControlledSAWClockOscillator),融合先进SAW技术与精准电压控制技术,核心用于为高端设备提供稳定,可调节的时钟基准,适配中高频段高端设备的计时需求,是高端设备的核心计时器件.
频率规格:标准频率为1GHz,能够直接匹配大多数中高频段高端精密设备的时钟需求,无需客户额外调整设备电路,同时可根据客户精密设备的具体设计需求,提供定制化频率方案,精准满足不同高端场景的频率控制要求,助力客户快速推进产品研发,缩短研发周期,降低研发成本.
频率稳定度:可达±200ppm,通过内置高精度压控电路与SAW谐振器的协同作用,实时抵消环境温度变化,供电电压波动等因素带来的频率漂移,确保频率输出始终精准稳定,不会因外界环境变化出现偏差,完美适配各类复杂环境下的高端应用需求.
封装尺寸:采用SMD-4贴片封装,引脚数为4,外形长度仅14.2mm,体积紧凑小巧,安装方式为表面贴装(SurfaceMount),能够有效节省设备内部安装空间,适配小型化,高集成化设备布局,同时便于自动化贴装与集成设计,提升生产效率,降低生产与设计成本.
供电规格:采用5.00V直流供电,最大供电电压不超过5V,供电电流仅为25mA,电压稳定性强,能够有效适应不同设备的供电波动范围,避免因供电电压变化,电网不稳定等因素影响频率精度与时钟信号稳定性,简化设备电路设计,降低设备研发难度与生产成本,同时提升设备的运行稳定性.
输出特性:采用正弦波输出晶振模式,信号纯净,干扰小,输出幅度适配主流高端设备规格,信号传输衰减小,负载适配性强,能够有效保障精密操作与信号传输的稳定性,为设备的精准运行提供可靠支撑,完美适配中高频段信号传输与计时需求.
环境适应性:工作温度范围为-20℃~70℃,能够适应工业生产,户外作业,消费电子日常使用等各类复杂环境,具备优异的抗冲击,耐焊性,抗电磁干扰能力,能够承受工业生产,运输过程中的轻微冲击,高温焊接与强电磁干扰考验;符合RoHS环保标准,无铅设计,适配多领域环保要求;产品生命周期为Active,可长期稳定供货与使用.
包装规格:采用Bulk(散装)包装,便于批量存储,运输与自动化生产管控,能够有效避免产品在存储,运输过程中出现损坏,丢失等问题,同时便于企业进行库存管理,减少库存积压,有效降低企业生产与采购成本,提升生产效率与采购效率;ECCN代码为EAR99,符合全球进出口相关标准,便于客户跨境采购与应用.
核心优势:融合SAW技术与电压控制技术,兼具频率精度高,调节灵活,抗干扰能力强,体积紧凑等优势,适配中高频段高端场景,能够有效解决传统时钟振荡器的核心痛点,为设备提供稳定,精准的时钟基准.
应用场景:精准赋能,覆盖多领域高端设备升级
凭借SAW技术加持的高精度,精准的电压控制调节能力,强劲的抗干扰性能以及紧凑的封装设计,CVCSO-914精准适配各类对时钟信号精度,频率调节灵活性,抗干扰能力有严苛要求的高端应用场景,广泛应用于射频通信,工业控制,精密测量,高端消费电子等多个核心领域,能够有效解决各类高端设备的核心痛点,为设备的性能升级提供核心支撑,助力各行业实现技术升级与产业发展,结合产品参数与实际应用需求,具体应用场景如下:
1.射频通信领域:适配高端路由器,基站设备,无线通信模块,射频测试仪器等产品,这类设备需要1GHz中高频段的精准时钟信号保障信号同步与数据传输质量,同时要求灵活的电压调节能力,适配不同频段的通信需求,还要具备强劲的抗干扰能力,抵御复杂通信环境的干扰.CVCSO-914低功耗晶振凭借1GHz标准频率,±200ppm频率稳定度以及精准的电压控制功能,能够完美适配这类需求,保障信号传输的稳定性与准确性,减少信号失真与数据丢包,同时紧凑的SMD-4封装能够适配设备的高集成化布局,助力通信设备向高集成化,高性能方向升级,适配5G,物联网等产业的快速发展需求.
2.工业控制领域:适用于精密运动控制模块,高端PLC,工业测试仪器,工业自动化设备等产品,这类设备往往需要稳定的时钟基准保障控制精度与运行稳定性,电压控制功能可灵活适配不同工况下的频率需求,同时需要具备强劲的抗干扰能力,适应工业生产的复杂电磁环境.CVCSO-914的高频率稳定性,精准电压调节能力与强劲抗干扰性能,能够确保工业控制设备的精准运行,有效避免因时钟信号偏差导致的生产故障,测量误差等问题,紧凑的封装设计能够灵活嵌入工业设备内部,助力工业设备向小型化,精密化,智能化方向升级,提升生产效率与产品合格率.
3.精密测量领域:适配频率计数器,示波器,精密信号发生器,便携式测量仪器等产品,这类设备对时钟信号的精度要求极高,1GHz中高频段时钟信号能够提升测量精度,SAW技术的应用可有效抑制干扰,保障测量数据的准确性,电压控制功能可实现频率的精准微调,满足不同测量场景的需求.CVCSO-914凭借优异的频率精度,纯净的输出信号以及灵活的电压调节能力,能够为精密测量设备提供可靠的时钟基准,确保测量数据的准确性与可靠性,紧凑的体积则能提升测量仪器的便携性,适配实验室,户外勘探,现场检测等多场景使用,助力精密测量产业向高精度,便携式方向发展.
4.高端消费电子领域:适用于高端智能终端,便携式音频设备,微型导航终端,高端穿戴设备等产品,这类设备既需要稳定的1GHz中高频段时钟信号保障设备正常运行,又要求体积紧凑,功耗适中,适配设备的小型化,长续航需求.CVCSO-914紧凑的SMD-4封装的能够完美适配设备的小型化布局,25mA的低供电电流可有效降低设备功耗,延长设备续航时间,同时高频率稳定性能够保障设备的流畅运行,提升用户使用体验,助力消费电子设备向轻薄化,高性能,长续航方向升级.
此外,CVCSO-914还可广泛应用于国防军工,汽车音响晶振,航空航天辅助设备,物联网高端终端等场景,凭借其优异的综合性能,精准满足各类高端场景的核心需求,能够有效解决不同行业的核心痛点,成为多领域高端设备的核心计时器件,助力各行业实现技术升级与产业突破.同时,其RoHS环保标准与无铅设计,也使其能够适配更多对环保有严苛要求的场景,进一步扩大了产品的应用范围.
深圳康比电子:CRYSTEK官方代理,为您提供一站式专属服务
深圳康比电子有限公司作为CRYSTEK晶振品牌官方授权核心代理,深耕电子元器件领域多年,凭借对行业的深刻理解与对客户需求的精准把握,在行业内树立了良好的口碑与坚实的市场地位.自成立以来,我们始终秉持"诚信经营,客户至上,专业高效"的核心服务理念,将客户的需求放在首位,致力于为每一位客户提供最优质,最可靠的产品与最专业,最高效的服务,助力客户解决选型,采购,应用中的各类难题,实现互利共赢.
我们拥有专属的CRYSTEK原厂供货渠道,与CRYSTEK原厂建立了长期深度战略合作关系,能够直接从原厂采购CVCSO-914全系列产品,从源头彻底杜绝假货,散新货,翻新货流入市场,确保每一款CVCSO-914产品均为全新原装正品,每一件产品都经过原厂严苛检测,完全符合CRYSTEK官方品质标准与相关参数要求,包括1GHz频率,±200ppm频率稳定度,5V供电等核心参数,均严格遵循原厂标准.这种直接原厂采购的模式,不仅有效保障了客户设备的运行安全与稳定性,更能避免因器件质量问题造成的设备故障,生产停滞,项目延误等各类经济损失,为客户的生产经营与产品研发提供坚实,可靠的产品保障,让客户采购更放心,使用更安心.同时,我们配备了一支由行业资深技术人员组成的专业服务团队,团队成员均具备十年以上频率控制器件应用经验,熟练掌握CVCSO-914的产品特性,技术参数,应用场景与调试技巧,深入了解SAW技术与电压控制技术的应用要点,能够深入理解不同行业,不同客户的个性化需求,为客户提供一对一的专属服务.
针对CVCSO-914产品,我们可根据客户的具体设备设计方案,应用场景,性能要求,提供一对一的选型指导,技术参数深度解读,应用方案优化,安装调试建议,以及产品使用过程中的各类问题排查与解决方案,高效解决客户在产品选型,研发,生产,使用过程中遇到的各类难题,比如频率适配,电压调节,抗干扰调试等核心问题,助力客户快速推进产品研发进程,缩短产品上市周期.此外,我们在国内设立了大型仓储中心,拥有充足的CVCSO-914产品库存储备,能够快速响应客户的批量采购与紧急补货需求,大幅缩短交货周期,帮助客户降低采购成本与库存积压压力,优化采购流程,提升生产与上市效率,与客户建立长期稳定的互利共赢合作关系,共同推动行业发展.
Crystek高性能晶振CVCSO-914,以先进SAW技术为核心,以精准电压控制为支撑,凭借高精度,高灵活,高可靠,小体积的综合优势,成为高端电压控制SAW时钟振荡器的标杆产品,完美适配射频通信,工业控制,精密测量,高端消费电子等多领域高端设备需求,助力客户产品实现性能突破,提升市场竞争力.深圳康比电子有限公司作为CRYSTEK官方授权核心代理,全程为您提供原厂正品保障,专业技术支持与高效采购服务,如需了解CVCSO-914产品详情,咨询实时报价,申请样品或洽谈订货事宜,欢迎随时致电深圳康比电子咨询热线:0755-27876201.我们的专业客服与技术团队将24小时待命,竭诚为您提供一站式贴心服务,从产品咨询,选型指导到订单交付,售后保障,全程保驾护航,助力您的产品实现性能升级,抢占市场先机,在激烈的市场竞争中脱颖而出!
瑞斯克CVCSO-914高性能电压控制SAW时钟振荡器
|
CCPD-575X-20-80.000 |
Crystek晶振 |
CCPD-575 |
XO |
80MHz |
|
CVSS-945-50.000 |
Crystek晶振 |
CVSS-945 |
VCXO |
50MHz |
|
CPRO33-10.000 |
Crystek晶振 |
CPRO |
XO |
10MHz |
|
CPRO33-50.000 |
Crystek晶振 |
CPRO |
XO |
50MHz |
|
CPRO33-20.000 |
Crystek晶振 |
CPRO |
XO |
20MHz |
|
CPRO33-100.000 |
Crystek晶振 |
CPRO |
XO |
100MHz |
|
CPRO33-125.000 |
Crystek晶振 |
CPRO |
XO |
125MHz |
|
PPRO30-40.000 |
Crystek晶振 |
PPRO |
TCXO |
40MHz |
|
PPRO30-10.000 |
Crystek晶振 |
PPRO |
TCXO |
10MHz |
|
CPRO33-30.720 |
Crystek晶振 |
CPRO |
XO |
30.72MHz |
|
RFPRO33-500.000 |
Crystek晶振 |
RFPRO |
SO(SAW) |
500MHz |
|
CRBSCS-01-80.000 |
Crystek晶振 |
CRBSCS,RedBox |
RFClockSource |
80MHz |
|
CRBSCS-01-50.000 |
Crystek晶振 |
CRBSCS,RedBox |
RFClockSource |
50MHz |
|
CRBSCS-01-125.000 |
Crystek晶振 |
CRBSCS,RedBox |
RFClockSource |
125MHz |
|
CRBSCS-01-250.000 |
Crystek晶振 |
CRBSCS,RedBox |
RFClockSource |
250MHz |
|
CPROBS5-0010 |
Crystek晶振 |
PRO |
XO |
10MHz |
|
CVHD-950-54.000 |
Crystek晶振 |
CVHD-950 |
VCXO |
54MHz |
|
CVHD-952-148.500 |
Crystek晶振 |
CVHD-952 |
VCXO |
148.5MHz |
|
CCO-083-100.000 |
Crystek晶振 |
CCO |
XO |
100MHz |
|
CVHD-952-153.600 |
Crystek晶振 |
CVHD-952 |
VCXO |
153.6MHz |
|
PPRO30-26.000 |
Crystek晶振 |
PPRO |
TCXO |
26MHz |
|
PPRO30-13.000 |
Crystek晶振 |
PPRO |
TCXO |
13MHz |
|
CCSO-914X-245.760 |
Crystek晶振 |
CCSO |
SO(SAW) |
245.76MHz |
|
C3290-1.544 |
Crystek晶振 |
C3290 |
XO |
1.544MHz |
|
C3290-1.843200 |
Crystek晶振 |
C3290 |
XO |
1.8432MHz |
|
C3290-10.000 |
Crystek晶振 |
C3290 |
XO |
10MHz |
|
C3290-12.000 |
Crystek晶振 |
C3290 |
XO |
12MHz |
|
C3290-12.288 |
Crystek晶振 |
C3290 |
XO |
12.288MHz |
|
C3290-12.352 |
Crystek晶振 |
C3290 |
XO |
12.352MHz |
|
C3290-14.318180 |
Crystek晶振 |
C3290 |
XO |
14.31818MHz |
|
C3290-15.360 |
Crystek晶振 |
C3290 |
XO |
15.36MHz |
|
C3290-16.000 |
Crystek晶振 |
C3290 |
XO |
16MHz |
|
C3290-16.384 |
Crystek晶振 |
C3290 |
XO |
16.384MHz |
|
C3290-18.432 |
Crystek晶振 |
C3290 |
XO |
18.432MHz |
|
C3290-19.440 |
Crystek晶振 |
C3290 |
XO |
19.44MHz |
|
C3290-2.048 |
Crystek晶振 |
C3290 |
XO |
2.048MHz |
|
C3290-20.000 |
Crystek晶振 |
C3290 |
XO |
20MHz |
|
C3290-20.480 |
Crystek晶振 |
C3290 |
XO |
20.48MHz |
|
C3290-24.000 |
Crystek晶振 |
C3290 |
XO |
24MHz |
|
C3290-24.704 |
Crystek晶振 |
C3290 |
XO |
24.704MHz |
|
C3290-25.000 |
Crystek晶振 |
C3290 |
XO |
25MHz |
|
C3290-3.686400 |
Crystek晶振 |
C3290 |
XO |
3.6864MHz |
|
C3290-30.000 |
Crystek晶振 |
C3290 |
XO |
30MHz |
|
C3290-32.000 |
Crystek晶振 |
C3290 |
XO |
32MHz |
|
C3290-32.768 |
Crystek晶振 |
C3290 |
XO |
32.768MHz |
|
C3290-33.000 |
Crystek晶振 |
C3290 |
XO |
33MHz |
|
C3290-33.333 |
Crystek晶振 |
C3290 |
XO |
33.333MHz |
|
C3290-35.000 |
Crystek晶振 |
C3290 |
XO |
35MHz |
|
C3290-4.000 |
Crystek晶振 |
C3290 |
XO |
4MHz |
|
C3290-40.000 |
Crystek晶振 |
C3290 |
XO |
40MHz |
|
C3290-44.736 |
Crystek晶振 |
C3290 |
XO |
44.736MHz |
|
C3290-45.000 |
Crystek晶振 |
C3290 |
XO |
45MHz |
|
C3290-49.152 |
Crystek晶振 |
C3290 |
XO |
49.152MHz |
|
C3290-50.000 |
Crystek晶振 |
C3290 |
XO |
50MHz |
|
C3290-51.840 |
Crystek晶振 |
C3290 |
XO |
51.84MHz |
|
C3290-6.176 |
Crystek晶振 |
C3290 |
XO |
6.176MHz |
|
C3290-7.372800 |
Crystek晶振 |
C3290 |
XO |
7.3728MHz |
|
C3290-8.000 |
Crystek晶振 |
C3290 |
XO |
8MHz |
|
C3290-60.000 |
Crystek晶振 |
C3290 |
XO |
60MHz |
|
C3290-64.000 |
Crystek晶振 |
C3290 |
XO |
64MHz |



TXC晶振,贴片晶振,7M晶振
TXC晶振,贴片晶振,7S晶振
TXC晶振,贴片晶振,7A晶振
微晶晶振,32.768K晶振,CM9V-T1A压电石英晶体


